Aluminum Eyelets

Aluminum Eyelets

Here at our Dongguan factory, Nuote Metals produces quality aluminum eyelets. We have focused on making aluminum eyelets for many years. Our aluminum is carefully selected to be both light and strong. These aluminum eyelets will not rust, and they keep their bright finish. We offer aluminum eyelets in various sizes. Some are tiny, others are quite large. Every aluminum eyelet is examined by our staff. They check the shape and the surface. Customers often choose our aluminum eyelets. They find them reliable and good looking. We provide quick samples for those who want to try them.

Send Inquiry

Product Description

Introduction

An aluminum eyelet is a small ring that made from aluminum. It helps to strengthen holes in fabric or other materials. Aluminum eyelets are lighter than most metal eyelets. This makes them easy to handle and ship. They guard the edges of holes from wear and tear. When laces or cords are pulled through, the material stays intact. Aluminum eyelets resist water and will not corrode. Their finish remains bright over time. A simple pressing tool is used to set aluminum eyelets. Once pressed into place, they stay secure and do not loosen.


Aluminum Eyelets Parameter (Specification)



Material Aluminum
Surface Treatment Clean, zinc plating, nickecl plating, silver plating, as requested
Certificate Rohs compliant
Shank Diameter 0.8-10mm
Tolerance +/-0.05mm
Application Suitable for use in various industries, including fabric, tents, canvas etc.
Quality Control 100% whole range inspection through production ensures that each product meets the ISO standard, guaranteeing high-quality products.



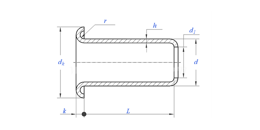
aluminum eyelets drawing as below:

Application show:


Aluminum Eyelets Feature And Application

Aluminum eyelets have many everyday uses. They are found in sneakers and lightweight boots for laces. Rain jackets and windbreakers use them for hood strings. Tote bags and backpacks often feature aluminum eyelets. Camping tents and tarps may include them for guylines. Sports gear like flags and pennants use aluminum eyelets too. Some protective cases and covers also rely on them. These aluminum eyelets help to keep products functional and neat. Our clients pick our aluminum eyelets because they are lightweight and rust‑free. We take pride in making durable aluminum eyelets right here in Dongguan.


aluminum eyelets Production Details

Packing information

FAQ:

Q1: What is your MOQ for aluminum eyelets?

MOQ for rivets is 20,000pcs.


Q2: Can you tailor making with our drawing?

Yes, most of our tubular rivets are tailor making with client’s drawing.


Q3: Could you provide free samples of the hollow rivets?

We can provide free samples for the size we have in stock, But the clients will pay the Express charges.


Q4: What’s your Delivery Time?

Size of Rivets in stock: 3-5days,Non-standard Rivets: 15-25days. We will make the delivery as soon as possible with the guarantee quality.


Q5: The quality of your products?

The company has advanced production and testing equipment.Every products will be 100% inspected by our QC department before shipment.


Q6: Why do we choose Nuote Technology ?

1.We Nuote respect the customer terms to protect customer privacy projects.

2.High quality with attractive price

3.Fast Lead time

4.Happy deal and honesty to customer and partner

5.Professional sales ad reply your inquiry with 8 hours.

6.Nuote's products and service are sold to more than 70 countries with good reputtion


Hot Tags: Aluminum Eyelets,Aluminium Eyelets China,Aluminium Eyelets Manufacturer
Related Categories
Send Inquiry
Please feel free to fill your inquiry in the form below. We will reply you in 24 hours.
Related Products
X
We use cookies to offer you a better browsing experience, analyze site traffic and personalize content. By using this site, you agree to our use of cookies. Privacy Policy