SS Eyelets

SS Eyelets

We are Nuote Metals from Dongguan. Our factory makes strong ss eyelets every day. SS means stainless steel. These ss eyelets do not rust easily. We use good stainless steel to make them. Our ss eyelets come in different sizes. Some are small for light items. Some are big for heavy use. Each ss eyelet is checked by our team. They look at the finish and the shape. Many customers choose our ss eyelets. They like that they last long and stay shiny. We can make samples quickly for new orders.

Send Inquiry

Product Description

SS Eyelets Introduction

SS eyelets are metal rings made from stainless steel. They make holes in materials stronger. These ss eyelets work well in wet places. Rain or humidity does not damage them. They keep their strength for years. To install ss eyelets, you need a pressing machine. The machine puts the ss eyelet into the material. Then it sits tight and does not move. This makes products ready for tough conditions.


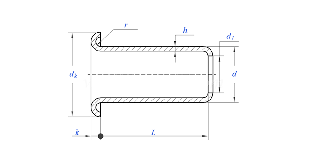
drawing as below:


SS Eyelets Parameter (Specification)


Material stainless steel
Surface Treatment Clean, zinc plating, nickecl plating, silver plating, as requested
Certificate Rohs compliant
Shank Diameter 0.8-10mm
Tolerance +/-0.05mm
Application Suitable for use in various industries, including automotive, aerospace, electrical and electronics, etc.
Quality Control 100% whole range inspection through production ensures that each product meets the ISO standard, guaranteeing high-quality products.



SS Eyelets Feature And Application

SS eyelets are used in many things. Outdoor gear like tents uses ss eyelets for ropes. Bags and shoes need them for laces and straps. Kitchen curtains sometimes have ss eyelets too. Work clothes and uniforms use ss eyelets for durability. Boats and marine items need ss eyelets because they resist salt water. Even some tools and equipment use ss eyelets. These ss eyelets help products stay strong and neat. Our customers trust our ss eyelets for their projects. They know these eyelets will not rust or break. We are proud to make good ss eyelets here in Dongguan.


SS Eyelets Details

SS Eyelets Packing information

FAQ:

Q1: What is your MOQ for stainless steel eyelets?

MOQ for rivets is 20,000pcs.


Q2: Can you tailor making with our drawing?

Yes, most of our tubular rivets are tailor making with client’s drawing.


Q3: Could you provide free samples of the hollow rivets?

We can provide free samples for the size we have in stock, But the clients will pay the Express charges.


Q4: What’s your Delivery Time?

Size of Rivets in stock: 3-5days,Non-standard Rivets: 15-25days. We will make the delivery as soon as possible with the guarantee quality.


Q5: The quality of your products?

The company has advanced production and testing equipment.Every products will be 100% inspected by our QC department before shipment.


Q6: Why do we choose Nuote Technology ?

1.We Nuote respect the customer terms to protect customer privacy projects.

2.High quality with attractive price

3.Fast Lead time

4.Happy deal and honesty to customer and partner

5.Professional sales ad reply your inquiry with 8 hours.

6.Nuote's products and service are sold to more than 70 countries with good reputtion


Hot Tags: SS Eyelets,Eyelets China Factory,SS Eyelets Manufacturer
Related Categories
Send Inquiry
Please feel free to fill your inquiry in the form below. We will reply you in 24 hours.
X
We use cookies to offer you a better browsing experience, analyze site traffic and personalize content. By using this site, you agree to our use of cookies. Privacy Policy