Oilcan Eyelets

Oilcan Eyelets

Stainless steel oilcan eyelets are special small rings used in oilcan. They are named for their classic use in traditional oilcans. Nuote Metals in Dongguan,China produces reliable stainless steel oilcan eyelets with different sizes.

Send Inquiry

Product Description

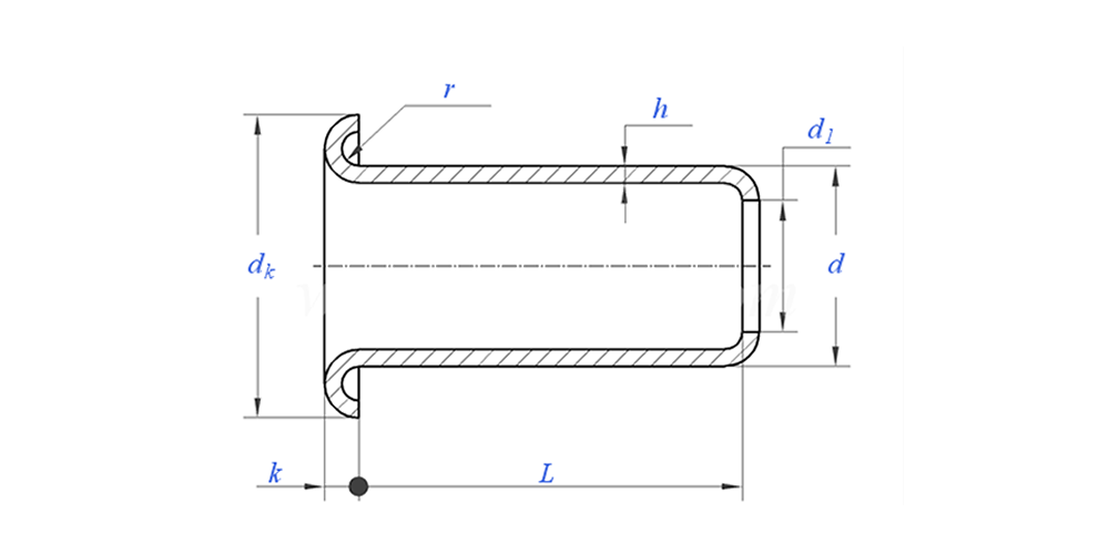
Introduction of stainless steel eyelets for oilcan

These oilcan eyelets are made from a single piece of stainless steel. This makes them strong and resistant to rust, which is very important for long-lasting use. The design includes a hollow center and a pre-formed groove. This groove makes it easy to crimp the oilcan eyelets securely into a sheet metal hole without much effort. The installation is fast, creating a tight and permanent seal.


Stainless steel eyelets for olican drawing as below:

oilcan eyelets application show:

Product Parameter (Specification)


Material Stainless steel 304
Surface Treatment Clean, zinc plating, nickecl plating, silver plating, as requested
Certificate Rohs compliant
Shank Diameter 0.8-10mm
Tolerance +/-0.05mm
Application Suitable for use in various industries, including automotive, aerospace, electrical and electronics, etc.
Quality Control

100% whole range inspection through production ensures that each product meets the ISO standard, guaranteeing high-quality products.


Product Feature And Application

You will find these oilcan eyelets where they are needed most: on the spout of an oilcan. They create a smooth, reinforced hole for the oil to flow through. This simple part makes the can easier and cleaner to use. It also makes the spout much stronger, so it won't wear out easily. Without a good oilcan eyelet, the metal edge can become rough and cause leaks. That's why this small part is so important for a dependable oilcan.


oilcan eyelets Production Details

Packing information


FAQ:

Q1: What is your MOQ for oil can eyelets?

MOQ for rivets is 20,000pcs.


Q2: Can you tailor making with our drawing?

Yes, most of our tubular rivets are tailor making with client’s drawing.


Q3: Could you provide free samples of the hollow rivets?

We can provide free samples for the size we have in stock, But the clients will pay the Express charges.


Q4: What’s your Delivery Time?

Size of Rivets in stock: 3-5days,Non-standard Rivets: 15-25days. We will make the delivery as soon as possible with the guarantee quality.


Q5: The quality of your products?

The company has advanced production and testing equipment.Every products will be 100% inspected by our QC department before shipment.


Q6: Why do we choose Nuote Technology ?

1.We Nuote respect the customer terms to protect customer privacy projects.

2.High quality with attractive price

3.Fast Lead time

4.Happy deal and honesty to customer and partner

5.Professional sales ad reply your inquiry with 8 hours.

6.Nuote's products and service are sold to more than 70 countries with good reputtion





Hot Tags: Oilcan Eyelets,Eyelets For Oilcan,Stainless Steel Eyelets For Oilcan
Send Inquiry
Please feel free to fill your inquiry in the form below. We will reply you in 24 hours.
X
We use cookies to offer you a better browsing experience, analyze site traffic and personalize content. By using this site, you agree to our use of cookies. Privacy Policy