316 Stainless Steel Eyelets

316 Stainless Steel Eyelets

At our Dongguan facility, Nuote Metals manufactures durable 316 stainless steel eyelets. This material is special because it resists rust very well. We have produced 316 stainless steel eyelets for many years. These eyelets are strong and can last a long time. We make them in various sizes. Some are small for delicate products. Some are large for heavy-duty use. Every 316 stainless steel eyelet is checked by our team. They ensure each piece is smooth and clean. Many customers choose our 316 stainless steel eyelets. They trust the quality and durability. We can provide samples within a few days.

Send Inquiry

Product Description

316 Stainless Steel Eyelets Introduction

316 stainless steel eyelets are made from a high-grade steel. This steel contains molybdenum. That makes 316 stainless steel eyelets resist corrosion better. They do not rust in salt water or humid air. These eyelets are also strong under pressure. They do not bend or break easily. To produce 316 stainless steel eyelets, we use precise machines. The machines cut and shape the steel into perfect rings. Then we polish each 316 stainless steel eyelet. This gives them a nice finish and smooth edges.


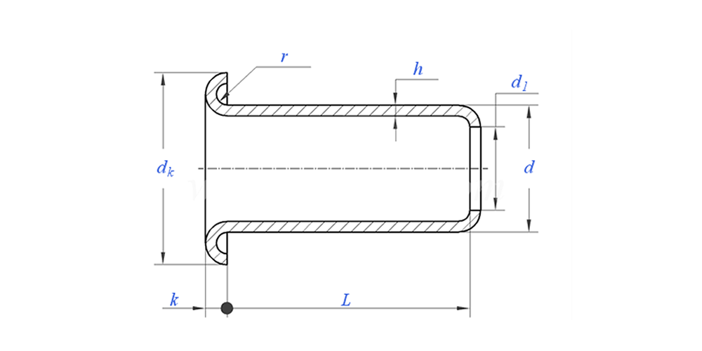
316 stainless steel eyelets drawing as below:

316 Stainless Steel Eyelets Parameter (Specification)



Material stainless steel
Surface Treatment Clean, zinc plating, nickecl plating, silver plating, as requested
Certificate Rohs compliant
Shank Diameter 0.8-10mm
Tolerance +/-0.05mm
Application Suitable for use in various industries, including automotive, aerospace, electrical and electronics, etc.
Quality Control 100% whole range inspection through production ensures that each product meets the ISO standard, guaranteeing high-quality products.


316 Stainless Steel Eyelets Feature And Application

316 stainless steel eyelets are used in tough environments. Boat and marine equipment use them because of salt water. Outdoor fixtures use them in all weather. Chemical plants sometimes need them because of their resistance. Food processing equipment may use them too. High-quality outdoor gear need these eyelets. Even architectural projects use 316 stainless steel eyelets for decoration and function. They are chosen where ordinary eyelets would rust . Our customers rely on our 316 stainless steel eyelets for important applications. They know these eyelets will perform well and look good for years. We are proud to make such reliable products here in Dongguan.


316 Stainless Steel Eyelets Details


FAQ:

Q1: What is your MOQ for 316 stainless steel eyelets?

MOQ for rivets is 20,000pcs.


Q2: Can you tailor making with our drawing?

Yes, most of our tubular rivets are tailor making with client’s drawing.


Q3: Could you provide free samples of the hollow rivets?

We can provide free samples for the size we have in stock, But the clients will pay the Express charges.


Q4: What’s your Delivery Time?

Size of Rivets in stock: 3-5days,Non-standard Rivets: 15-25days. We will make the delivery as soon as possible with the guarantee quality.


Q5: The quality of your products?

The company has advanced production and testing equipment.Every products will be 100% inspected by our QC department before shipment.


Q6: Why do we choose Nuote Technology ?

1.We Nuote respect the customer terms to protect customer privacy projects.

2.High quality with attractive price

3.Fast Lead time

4.Happy deal and honesty to customer and partner

5.Professional sales ad reply your inquiry with 8 hours.

6.Nuote's products and service are sold to more than 70 countries with good reputtion

Hot Tags: 316 Stainless Steel Eyelets,SUS316L eyelets,China Stainless steel Eyelets
Related Categories
Send Inquiry
Please feel free to fill your inquiry in the form below. We will reply you in 24 hours.
X
We use cookies to offer you a better browsing experience, analyze site traffic and personalize content. By using this site, you agree to our use of cookies. Privacy Policy