Stainless Eyelets

Stainless Eyelets

We are Nuote Metals from Dongguan China. Our factory makes quality stainless eyelets for different industries. We have produced stainless eyelets for many years. We use good stainless steel material. This material makes our stainless eyelets strong and rust-proof. We make stainless eyelets in many sizes. Some are small for electronics. Some are large for outdoor products. Every stainless eyelet is checked by our workers. They look at each piece carefully. Many customers choose our stainless eyelets because they work well and last long. We can make samples quickly for new projects.

Send Inquiry

Product Description

Stainless Eyelets Introduction

Stainless eyelets are metal rings made from stainless steel. They are used to reinforce holes in materials. The stainless eyelets protect the holes from damage. They keep their shape even when pulled hard. These stainless eyelets don't rust in wet conditions. They stay shiny and strong for years. Putting in stainless eyelets needs a special machine. The machine presses the stainless eyelet into the material. Once installed, it stays firmly in place. This makes products better and more durable.



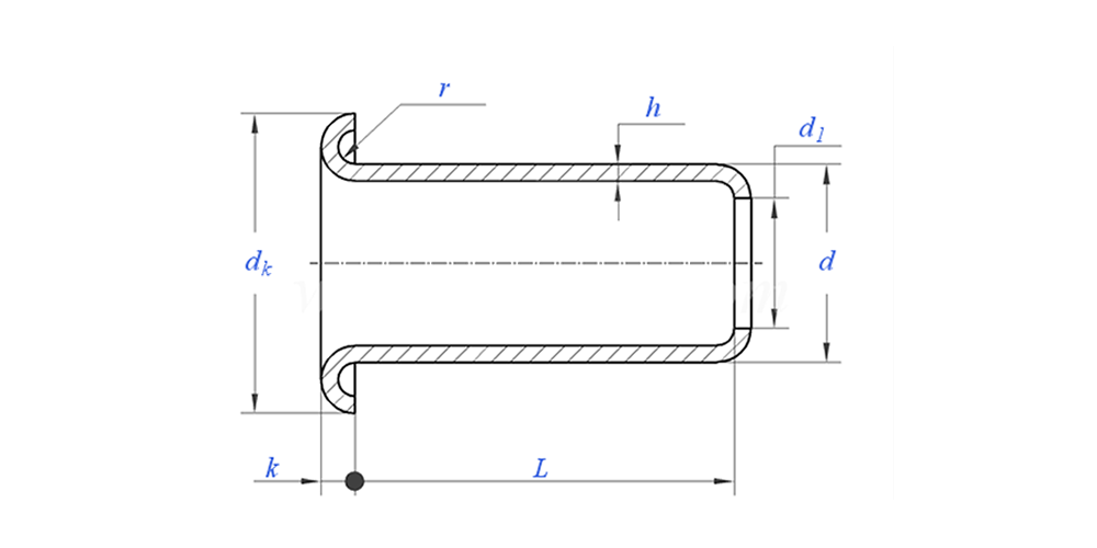
Stainless Eyelets Parameter (Specification)



Material stainless steel
Surface Treatment Clean, zinc plating, nickecl plating, silver plating, as requested
Certificate Rohs compliant
Shank Diameter 0.8-10mm
Tolerance +/-0.05mm
Application Suitable for use in various industries, including automotive, aerospace, electrical and electronics, etc.
Quality Control 100% whole range inspection through production ensures that each product meets the ISO standard, guaranteeing high-quality products.


Stainless Eyelets drawing as below:

Application show:


Stainless Eyelets Feature And Application

Stainless eyelets have many uses. Shoes and boots need stainless eyelets for laces. Outdoor gear uses stainless eyelets for ropes and cords. Bags and luggage need stainless eyelets for straps. Tents and tarps require stainless eyelets for tying down. Electronics sometimes use small stainless eyelets for wires. Marine equipment needs stainless eyelets because they resist salt water. These stainless eyelets make products reliable and long-lasting. Our customers trust our stainless eyelets for their important products. They know our stainless eyelets will perform well in any condition.


Packing information

Stainless Eyelets Production Details


FAQ:

Q1: What is your MOQ for Stainless Eyelets?

MOQ for rivets is 20,000pcs.


Q2: Can you tailor making with our drawing?

Yes, most of our tubular rivets are tailor making with client’s drawing.


Q3: Could you provide free samples of the hollow rivets?

We can provide free samples for the size we have in stock, But the clients will pay the Express charges.


Q4: What’s your Delivery Time?

Size of Rivets in stock: 3-5days,Non-standard Rivets: 15-25days. We will make the delivery as soon as possible with the guarantee quality.


Q5: The quality of your products?

The company has advanced production and testing equipment.Every products will be 100% inspected by our QC department before shipment.


Q6: Why do we choose Nuote Technology ?

1.We Nuote respect the customer terms to protect customer privacy projects.

2.High quality with attractive price

3.Fast Lead time

4.Happy deal and honesty to customer and partner

5.Professional sales ad reply your inquiry with 8 hours.

6.Nuote's products and service are sold to more than 70 countries with good reputtion


Hot Tags: Stainless Eyelets,Stainless Eyelets Manufacturer,China Stainless Eyelets
Related Categories
Send Inquiry
Please feel free to fill your inquiry in the form below. We will reply you in 24 hours.
X
We use cookies to offer you a better browsing experience, analyze site traffic and personalize content. By using this site, you agree to our use of cookies. Privacy Policy