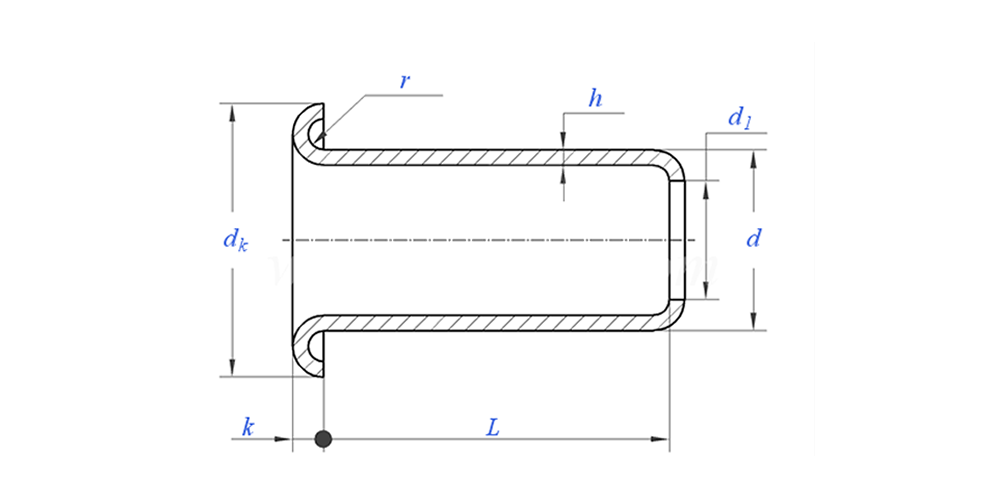
Curtain eyelets are designed for both looks and function. They have a smooth inner surface that allows the curtain rod to pass through easily. This makes opening and closing the curtains very simple. The eyelets are also designed to hold their shape well, preventing them from getting bent out of shape over time. This strength is a key feature of good quality curtain eyelets.
| Material | Brass, steel,aluminum,stainless steel, copper |
| Surface Treatment | Clean, zinc plating, nickecl plating, silver plating, as requested |
| Certificate | Rohs compliant |
| Shank Diameter | 0.8-10mm |
| Tolerance | +/-0.05mm |
| Application | Suitable for use in various industries, including automotive, aerospace, electrical and electronics, etc. |
| Quality Control | 100% whole range inspection through production ensures that each product meets the ISO standard, guaranteeing high-quality products. |
The main use for curtain eyelets is, of course, in hanging curtains. They create deep and elegant folds in the fabric, giving a very contemporary look to any room. Because the curtain eyelets slide so smoothly on the rod, it takes very little effort to open or close the curtains. This simple system makes curtain eyelets a popular and practical choice for many people today.

Q1: What is your MOQ for curtain eyelets?
MOQ for rivets is 20,000pcs.
Q2: Can you tailor making with our drawing?
Yes, most of our tubular rivets are tailor making with client’s drawing.
Q3: Could you provide free samples of the hollow rivets?
We can provide free samples for the size we have in stock, But the clients will pay the Express charges.
Q4: What’s your Delivery Time?
Size of Rivets in stock: 3-5days,Non-standard Rivets: 15-25days. We will make the delivery as soon as possible with the guarantee quality.
Q5: The quality of your products?
The company has advanced production and testing equipment.Every products will be 100% inspected by our QC department before shipment.
Q6: Why do we choose Nuote Technology ?
1.We Nuote respect the customer terms to protect customer privacy projects.
2.High quality with attractive price
3.Fast Lead time
4.Happy deal and honesty to customer and partner
5.Professional sales ad reply your inquiry with 8 hours.
6.Nuote's products and service are sold to more than 70 countries with good reputtion