Metal Eyelets

Metal Eyelets

You've probably seen metal eyelets many times without even noticing them. They're those small metal rings that reinforce holes in all kinds of products. A metal eyelet might look simple, but it's designed to solve a common problem: preventing holes from tearing or wearing out. Whether it's in your shoes or your backpack, this little component works hard to make things last longer.

Send Inquiry

Product Description

Introduction of Metal Eyelet

Putting in a metal eyelet is quite straightforward. You place the main part through the material, then press the washer piece on the back. Special tools can do this quickly, but even simple tools work fine. What's great about a metal eyelet is how it protects the material around the hole from wear and tear, keeping everything neat and strong.


Metal Eyelet application show:

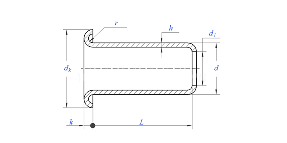
metal eyelet drawing as below:


Metal Eyelets Parameter (Specification)



Material Brass, steel,aluminum,stainless steel, copper
Surface Treatment Clean, zinc plating, nickecl plating, silver plating, as requested
Certificate Rohs compliant
Shank Diameter 0.8-10mm
Tolerance +/-0.05mm
Application Suitable for use in various industries, including automotive, aerospace, electrical and electronics, etc.
Quality Control 100% whole range inspection through production ensures that each product meets the ISO standard, guaranteeing high-quality products.



Metal Eyelets Feature And Application

You'd be surprised how many places you can find metal eyelets working hard. They're the reason your shoe lace holes don't tear after repeated use. In outdoor gear like tents and sails, metal eyelets handle tough weather conditions without failing. They're also essential in industrial settings, helping to organize cables and wires. Wherever there's a hole that needs protection, you'll likely find a metal eyelet doing its job.


Metal Eyelet Production Details

Packing information

FAQ:

Q1: What is your MOQ for metal eyelet?

MOQ for rivets is 20,000pcs.


Q2: Can you tailor making with our drawing?

Yes, most of our tubular rivets are tailor making with client’s drawing.


Q3: Could you provide free samples of the hollow rivets?

We can provide free samples for the size we have in stock, But the clients will pay the Express charges.


Q4: What’s your Delivery Time?

Size of Rivets in stock: 3-5days,Non-standard Rivets: 15-25days. We will make the delivery as soon as possible with the guarantee quality.


Q5: The quality of your products?

The company has advanced production and testing equipment.Every products will be 100% inspected by our QC department before shipment.


Q6: Why do we choose Nuote Technology ?

1.We Nuote respect the customer terms to protect customer privacy projects.

2.High quality with attractive price

3.Fast Lead time

4.Happy deal and honesty to customer and partner

5.Professional sales ad reply your inquiry with 8 hours.

6.Nuote's products and service are sold to more than 70 countries with good reputtion


Hot Tags: Metal Eyelets,China Metal Eyelets,Metal Eyelets Factory
Related Categories
Send Inquiry
Please feel free to fill your inquiry in the form below. We will reply you in 24 hours.
X
We use cookies to offer you a better browsing experience, analyze site traffic and personalize content. By using this site, you agree to our use of cookies. Privacy Policy