Rivet Eyelets

Rivet Eyelets

Rivet eyelets are small ring-shaped fasteners. It is designed to be set into a hole, and then its rim is folded down to hold materials together. Nuote Metals in Dongguan is an reliable factory to make these usefull parts.

Send Inquiry

Product Description

Introduction of rivet eyelets

The main feature of a rivet eyelet is its hollow center. This hole makes it lighter than a solid rivet. It also allows for things like wires or cords to pass through. Installing a rivet eyelet is a quick and simple process, that's why they are very popular for production.


Application Show:

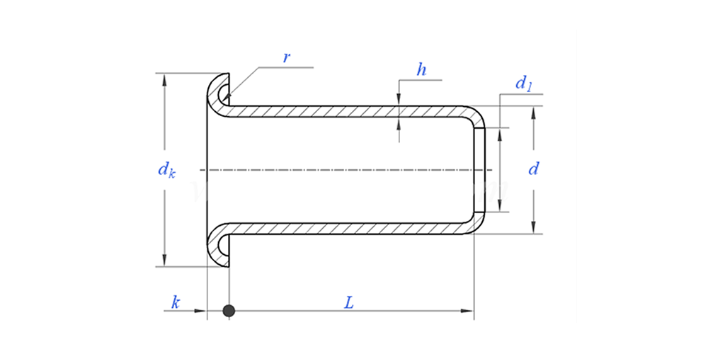
Rivet Eyelets Drawing As Below:



Rivet Eyelets Parameter (Specification)



Material Brass, steel,aluminum,stainless steel, copper
Surface Treatment Clean, zinc plating, nickecl plating, silver plating, as requested
Certificate Rohs compliant
Shank Diameter 0.8-10mm
Tolerance +/-0.05mm
Application Suitable for use in various industries, including automotive, aerospace, electrical and electronics, etc.
Quality Control 100% whole range inspection through production ensures that each product meets the ISO standard, guaranteeing high-quality products.




Rivet Eyelets Feature And Application

You can find rivet eyelets in many common products. They are used in shoes for the lace holes and in bags for strap attachments. They are also important in electronics and car parts. In all these uses, the rivet eyelet provides a strong and lasting connection.


Rivet Eyelets Details

Packing information

FAQ:

Q1: What is your MOQ for rivet eyelets?

MOQ for rivets is 20,000pcs.


Q2: Can you tailor making with our drawing?

Yes, most of our tubular rivets are tailor making with client’s drawing.


Q3: Could you provide free samples of the hollow rivets?

We can provide free samples for the size we have in stock, But the clients will pay the Express charges.


Q4: What’s your Delivery Time?

Size of Rivets in stock: 3-5days,Non-standard Rivets: 15-25days. We will make the delivery as soon as possible with the guarantee quality.


Q5: The quality of your products?

The company has advanced production and testing equipment.Every products will be 100% inspected by our QC department before shipment.


Q6: Why do we choose Nuote Technology ?

1.We Nuote respect the customer terms to protect customer privacy projects.

2.High quality with attractive price

3.Fast Lead time

4.Happy deal and honesty to customer and partner

5.Professional sales ad reply your inquiry with 8 hours.

6.Nuote's products and service are sold to more than 70 countries with good reputtion


Hot Tags: Rivet Eyelets,China Rivet Eyelets,Rivet Eyelets Manufacturer
Related Categories
Send Inquiry
Please feel free to fill your inquiry in the form below. We will reply you in 24 hours.
X
We use cookies to offer you a better browsing experience, analyze site traffic and personalize content. By using this site, you agree to our use of cookies. Privacy Policy