Shoe Eyelets

Shoe Eyelets

We make Shoe Eyelets at our factory in Dongguan,China. Eyelets are little metal rings, and you can see them on shoes for the laces. they are also called as grommets . We make them strong so they don't break when you pull your laces tight. Our Shoe Eyelets are made from different metals, such as brass, aluminum and stainless steel. And they can be made with different colors to match all kinds of shoes.

Send Inquiry

Product Description

The main job of Shoe Eyelets is to protect the shoe. When you pull your laces, the metal ring takes the pressure instead of the shoe material. This stops the holes from getting bigger or tearing. Good Shoe Eyelets also make it easier to slide your laces through. They help you tie your shoes quickly without the laces getting stuck.


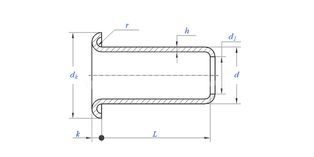
Shoe eyelets drawing as below:

Shoe Eyelets Parameter (Specification)



Material Brass, steel,aluminum,stainless steel, copper
Surface Treatment Clean, zinc plating, nickecl plating, silver plating, as requested
Certificate Rohs compliant
Shank Diameter 0.8-10mm
Tolerance +/-0.05mm
Application Suitable for use in various industries, including automotive, aerospace, electrical and electronics, etc.
Quality Control 100% whole range inspection through production ensures that each product meets the ISO standard, guaranteeing high-quality products.



Application show:



Shoe Eyelets Feature And Application

You see Shoe Eyelets on almost every shoe with laces. Kids' school shoes need them to last through rough play. Running shoes use them to help athletes get a secure fit. Even fancy leather shoes have Shoe Eyelets , though sometimes they make them look more decorative. Without these small metal rings, our shoes would wear out much faster and be harder to put on.


metal eyelet Production Details

Packing information

FAQ:

Q1: What is your MOQ for shoes eyelet?

MOQ for rivets is 20,000pcs.


Q2: Can you tailor making with our drawing?

Yes, most of our tubular rivets are tailor making with client’s drawing.


Q3: Could you provide free samples of the hollow rivets?

We can provide free samples for the size we have in stock, But the clients will pay the Express charges.


Q4: What’s your Delivery Time?

Size of Rivets in stock: 3-5days,Non-standard Rivets: 15-25days. We will make the delivery as soon as possible with the guarantee quality.


Q5: The quality of your products?

The company has advanced production and testing equipment.Every products will be 100% inspected by our QC department before shipment.


Q6: Why do we choose Nuote Technology ?

1.We Nuote respect the customer terms to protect customer privacy projects.

2.High quality with attractive price

3.Fast Lead time

4.Happy deal and honesty to customer and partner

5.Professional sales ad reply your inquiry with 8 hours.

6.Nuote's products and service are sold to more than 70 countries with good reputtion


Hot Tags: Shoe Eyelets,China Shoe Eyelets,Shoe Eyelets Manufacturer
Related Categories
Send Inquiry
Please feel free to fill your inquiry in the form below. We will reply you in 24 hours.
X
We use cookies to offer you a better browsing experience, analyze site traffic and personalize content. By using this site, you agree to our use of cookies. Privacy Policy