Eyelet And Washer

Eyelet And Washer

You can find an eyelet and washer in many everyday items. They are small metal parts . The eyelet is like a little ring, and the washer is a flat disc. They are pressed together to create a strong, smooth hole in materials like fabric or plastic. This stops the material from tearing. In China, Nuote Metals makes these small but useful parts. we produce many types of eyelet and washer for different jobs.

Send Inquiry

Product Description

Introduction of eyelet and washer

What makes an eyelet and washer so useful is how simple they are. You put the eyelet through a hole in the material. Then, you place the washer on the back. A machine presses on them, squeezing the pieces together. This locks the material tightly in between. The result is a clean, strong hole that doesn't wear out easily. Because of this simple design, the eyelet and washer is a very reliable solution.


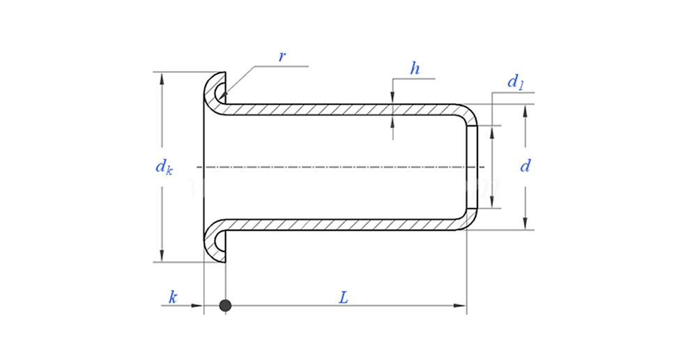
eyelet and washer drawing as below:

eyelet and washer application show:

Eyelet And Washer Parameter (Specification)

Material Brass
Surface Treatment Clean, zinc plating, nickecl plating, silver plating, as requested
Head Type Round head solid rivets
Certificate Rohs compliant
Shank Diameter 0.8-8mm
Tolerance +/-0.05mm
Application Suitable for use in various industries, including automotive, aerospace, electrical and electronics, etc.
Quality Control 100% whole range inspection through production ensures that each product meets the ISO standard, guaranteeing high-quality products.




Eyelet And Washer Feature And Application

A good example of where you see an eyelet and washer is on an oil can. Many oil cans have a small metal spout for pouring. This spout gets a lot of use and could easily tear. But if you look closely, you'll often see a small metal ring reinforcing the opening. That's the eyelet and washer at work. It makes the spout strong and prevents leaks, so the oil can lasts for a long time. It's a perfect use for this simple pair of parts.


eyelet and washer Production Details

Packing information

FAQ:

Q1: What is your MOQ for eyelet and washer?

MOQ for rivets is 20,000pcs.


Q2: Can you tailor making with our drawing?

Yes, most of our tubular rivets are tailor making with client’s drawing.


Q3: Could you provide free samples of the hollow rivets?

We can provide free samples for the size we have in stock, But the clients will pay the Express charges.


Q4: What’s your Delivery Time?

Size of Rivets in stock: 3-5days,Non-standard Rivets: 15-25days. We will make the delivery as soon as possible with the guarantee quality.


Q5: The quality of your products?

The company has advanced production and testing equipment.Every products will be 100% inspected by our QC department before shipment.


Q6: Why do we choose Nuote Technology ?

1.We Nuote respect the customer terms to protect customer privacy projects.

2.High quality with attractive price

3.Fast Lead time

4.Happy deal and honesty to customer and partner

5.Professional sales ad reply your inquiry with 8 hours.

6.Nuote's products and service are sold to more than 70 countries with good reputtion


Hot Tags: Eyelet And Washer,China Eyelet and Washer,Eyelet And Washer Manufactuer
Related Categories
Send Inquiry
Please feel free to fill your inquiry in the form below. We will reply you in 24 hours.
X
We use cookies to offer you a better browsing experience, analyze site traffic and personalize content. By using this site, you agree to our use of cookies. Privacy Policy