Eyelet Steel

Eyelet Steel

We are Nuote Metals, located in Dongguan. Our factory specializes in producing eyelet steel. We have been working with eyelet steel for many years. This type of steel is made to be strong and easy to form. We process steel into thin sheets or coils. Then we cut and shape it into eyelets. Our eyelet steel is clean and smooth. It does not have rough edges. We make many sizes from this eyelet steel. Each piece is checked for quality. Many customers buy our eyelet steel products. They trust the strength and finish. We can also customize eyelet steel for special orders.

Send Inquiry

Product Description

Eyelet Steel Introduction

Eyelet steel is made from a special steel. It is softer than some other steels. This makes steel easy to press and shape. When you make eyelets from eyelet steel, they are strong but not brittle. They can be bent without breaking. Eyelet steel often has a bright or coated finish. This helps prevent rust and keeps it looking good. To work with eyelet steel, we use stamping machines. The machines punch the steel into round rings. Then these rings become the eyelets we use every day.



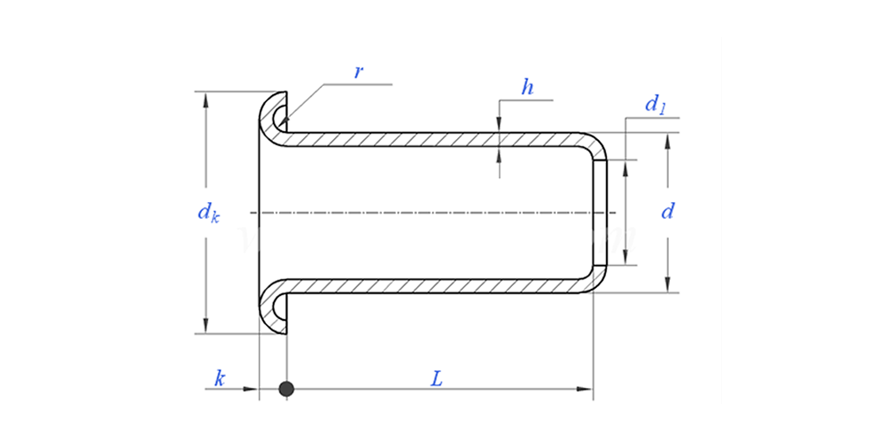
Eyelet Steel Parameter (Specification)



Material steel
Surface Treatment Clean, zinc plating, nickecl plating, silver plating, as requested
Certificate Rohs compliant
Shank Diameter 0.8-10mm
Tolerance +/-0.05mm
Application Suitable for use in various industries, including automotive, aerospace, electrical and electronics, etc.
Quality Control 100% whole range inspection through production ensures that each product meets the ISO standard, guaranteeing high-quality products.




drawing as below:


Eyelet Steel Feature And Application

Shoes use eyelet steel for laces. Bags and belts need them for holes and straps. Outdoor gear like tents uses eyelet steel too. Work clothes and uniforms often have them. Some furniture and car covers use eyelet steel . Even children's backpacks use small eyelet steel . These eyelets hold up well with daily use. They are strong and do not tear the material. Our customers choose eyelet steel for reliable performance. They know eyelet steel will do the job well. We are glad to supply quality eyelet steel from our Dongguan workshop.


Eyelet Steel Details

FAQ:

Q1: What is your MOQ for eyelet steel?

MOQ for rivets is 20,000pcs.


Q2: Can you tailor making with our drawing?

Yes, most of our tubular rivets are tailor making with client’s drawing.


Q3: Could you provide free samples of the hollow rivets?

We can provide free samples for the size we have in stock, But the clients will pay the Express charges.


Q4: What’s your Delivery Time?

Size of Rivets in stock: 3-5days,Non-standard Rivets: 15-25days. We will make the delivery as soon as possible with the guarantee quality.


Q5: The quality of your products?

The company has advanced production and testing equipment.Every products will be 100% inspected by our QC department before shipment.


Q6: Why do we choose Nuote Technology ?

1.We Nuote respect the customer terms to protect customer privacy projects.

2.High quality with attractive price

3.Fast Lead time

4.Happy deal and honesty to customer and partner

5.Professional sales ad reply your inquiry with 8 hours.

6.Nuote's products and service are sold to more than 70 countries with good reputtion


Hot Tags: Eyelet Steel,Eyelet Steel China,China Eyelets Factory
Related Categories
Send Inquiry
Please feel free to fill your inquiry in the form below. We will reply you in 24 hours.
X
We use cookies to offer you a better browsing experience, analyze site traffic and personalize content. By using this site, you agree to our use of cookies. Privacy Policy